Witamy w sklepie GEMA - Twoim ekspertem w dziedzinie techniki grzewczej, słonecznej i sanitarnej od 1991 roku. Doradzamy Ci osobiście i oferujemy rozwiązania techniczne, które naprawdę działają.
  • szybka wysyłka

  • Bezpłatna pomoc i porady

  • Otwarte 7 dni w tygodniu

Anhaltinerring 17, 39439 Güsten

Caleffi  |  Numer SKU: CUV34100

Zawór nadmiarowy różnicy ciśnień

Nazwa: CALEFFI S.p.a.

Adres: S.R. 229, n. 25, 28010 Fontaneto d'Agogna (NO) Italy

E-mail: info@caleffi.com

Strona internetowa: https://www.caleffi.com/de-de

Europejski producent: Tak

Normalna cena 29,50 €
zawiera podatek VAT. Wysyłka zostanie pobrana przy kasie.


Dostawa i wysyłka

Czas realizacji zamówienia wynosi zazwyczaj 1 dzień roboczy. Dostawa paczek trwa 1-3 dni robocze. W przypadku spedycji czas dostawy wynosi 3-5 dni roboczych. Czas dostawy poza granice Niemiec może się różnić.

Beschreibung

Zawór przelewowy różnicowy — regulowany za pomocą skali

Dane techniczne

Maksymalne ciśnienie robocze: 10 bar. Średni zakres temperatur: 0–100°C. Maksymalna zawartość glikolu: 30%. Medium: woda i roztwory glikolu.

funkcjonować

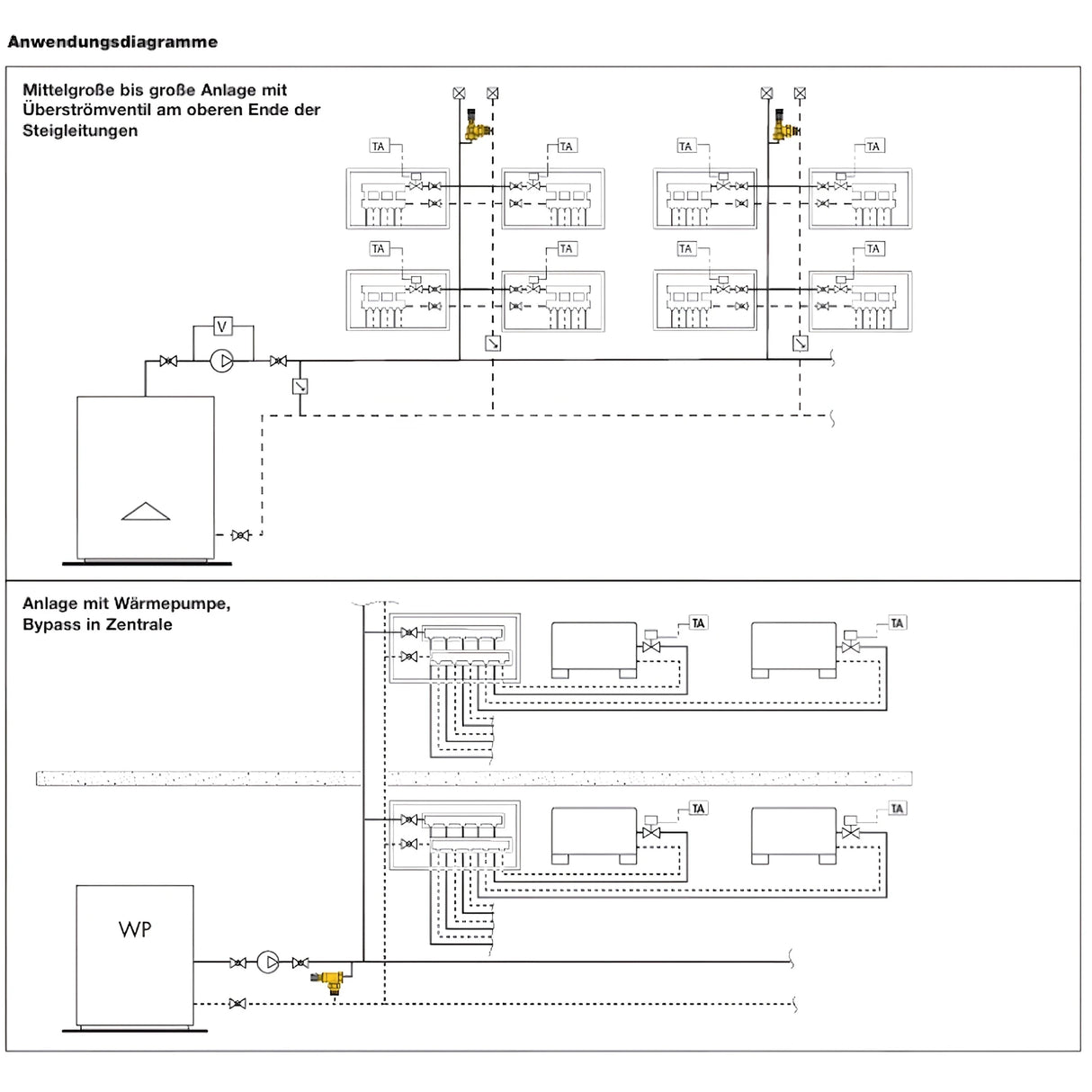
Zawór obejściowy różnicowy ciśnienia zapewnia kontrolowany powrót strumienia wody w układach o zmiennych stanach odbiorników. Ogranicza on różnicę ciśnień generowaną przez pompę i odprowadza nadmiar objętości proporcjonalnie do liczby zamkniętych odbiorników.

Zwłaszcza w systemach z pompami ciepła lub pompami obiegowymi o regulowanej prędkości zawór zapewnia wymagany minimalny przepływ konieczny do prawidłowej pracy urządzenia oraz zapobiega awariom i przegrzaniu.

Możliwość regulacji i obsługi

Płynna regulacja za pomocą widocznej skali pozwala na precyzyjne dopasowanie do obliczonych warunków ciśnieniowych instalacji. Podczas rozruchu, nastawę należy wykonać w oparciu o charakterystykę pompy i żądaną granicę różnicy ciśnień.

Dokładne dostrojenie w trakcie pracy pozwala na optymalizację zachowania systemu przy zmieniającym się obciążeniu; ustawienia są rejestrowane w celu późniejszego wykonania pomiarów kontrolnych.

Zalety

Ochrona pompy i elementów sterujących poprzez ograniczenie maksymalnej różnicy ciśnień, niższy poziom hałasu i dłuższą żywotność systemu. Bardziej stabilne warunki hydrauliczne poprawiają charakterystykę sterowania i wydajność.

Instrukcja montażu i konserwacji

Zawór powinien być zamontowany w odpowiednim miejscu na linii powrotnej, w miejscu dostępnym do kontroli i regulacji. Filtr siatkowy przed zaworem zwiększa niezawodność działania i zmniejsza zużycie.

Zaleca się regularne kontrole wizualne i funkcjonalne, a także kontrolę zawartości glikolu i uszczelnień. W przypadku mrozu należy podjąć odpowiednie środki ostrożności.

Obszary zastosowań

Nadaje się do systemów ogrzewania, chłodzenia i pomp ciepła o zmiennym natężeniu przepływu. Szczególnie przydatny w systemach z wieloma odbiornikami, siłownikami lub pompami o regulowanej prędkości, aby zapewnić minimalne ograniczenie przepływu i ciśnienia.

Dane techniczne

  • Maksymalne ciśnienie robocze: 10 barów
  • Zakres temperatury średniej: 0–100 °C
  • Maksymalna zawartość glikolu: 30%
  • Środki: woda, roztwory glikolu
  • Ustawienie: 10–60 kPa (1–6 m w.s.)
  • Znajomości:
    • Gwint żeński 3/4” (ISO 228-1) do gwintu zewnętrznego ze złączem śrubowym

zapłata & Bezpieczeństwo

Opcje płatności

  • American Express
  • Apple Pay
  • Bancontact
  • BLIK
  • EPS
  • Google Pay
  • iDEAL
  • Klarna
  • Maestro
  • Mastercard
  • MobilePay
  • PayPal
  • Przelewy24
  • Shop Pay
  • Union Pay
  • Visa

Twoje dane dotyczące płatności są przetwarzane w sposób bezpieczny. Nie przechowujemy ani nie uzyskujemy dostępu do danych Twojej karty kredytowej.

Skontaktuj się z nami